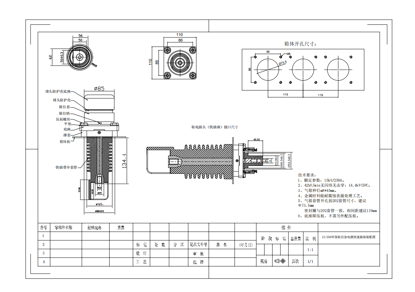
快速连接或断开,高强度防腐,安全可靠
10KV高压连接器插座是一种用于中高压电力系统中可插拔连接的电气组件,通常与配套插头配对使用,实现设备(如变压器、开关柜、电缆分支箱等)的快速连接或断开。
结构与材料
核心部件:
绝缘壳体:采用环氧树脂、硅橡胶或热塑性材料,具备高耐压、耐电弧和抗老化性能。
导电端子:镀银或镀镍铜合金,确保低接触电阻和抗腐蚀。
屏蔽层:内置半导电层,均匀电场分布,防止局部放电。
密封设计:防水防尘(IP67及以上等级),适用于户外或潮湿环境。
安全锁扣:机械联锁装置,防止带电插拔。
可选附件:电缆夹、应力锥(用于电缆终端)、接地端子等。
主要类型如下:
按用途分类:
电缆连接器:用于电缆与设备的连接(如肘型、T型接头)。
设备插座:固定安装在开关柜、变压器等设备上。
按绝缘介质:
固体绝缘:环氧树脂浇注,体积小,免维护。
气体绝缘:SF6填充(较少见,需考虑环保问题)。
按安装方式:
法兰式:螺栓固定,常见于开关柜。
直插式:通过弹簧或卡扣快速连接。


